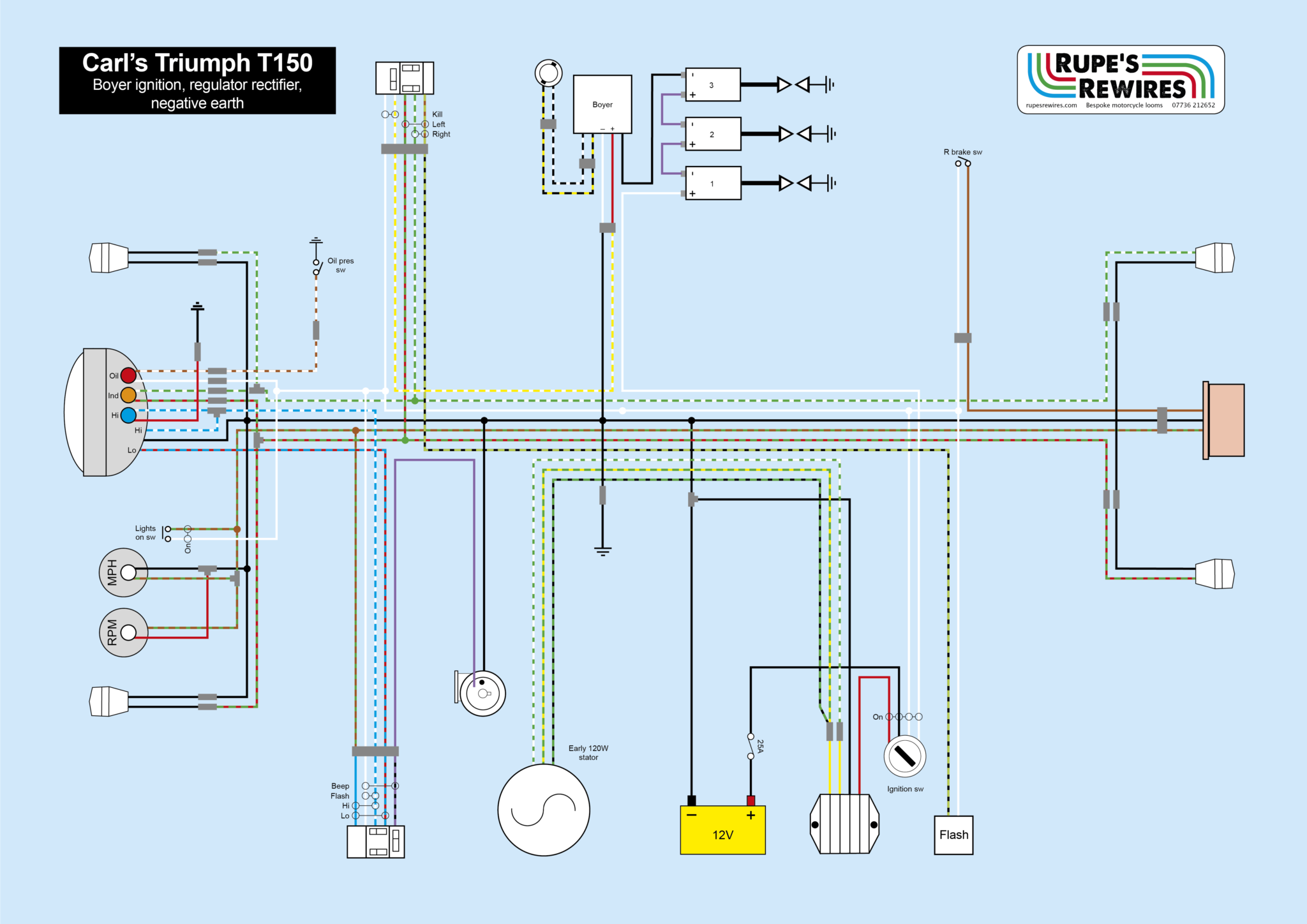
Carl’s Triumph T150
Carl had owned this Triumph for three years, but in all that time he’d only done about 35 miles. It wasn’t easy to start, and he wanted to sort that out. He’d started renovating the bike, but felt it was only worth doing properly if he could rely on it.
The loom was typical old Brit: much modified and repaired, with all the work done by people best described as enthusiasts.
We decided that if the bike ran OK with a new loom, then the Boyer ignition could stay. If not, Carl was up for a new ignition too.
As with any old British bike it needed lots of tlc on the peripheral bits: tail light, indicators, ignition, coils, coil carrier, switchgear. If you build your own loom, this prep work should take longer than the loom itself. Which on these bikes is almost exactly the same as the loom you’ll find on a 1970s Triumph or BSA twin.
It fired up OK, once we’d got shot of ANOTHER set of counterfeit NGK spark plugs. That’s two sets in two weeks. Don’t buy plugs on eBay if you want an easy life. We got our replacements from Draganfly Motorcycles.
Carl was pleased the electrics are no longer an issue. Now he has to decide whether he likes the purple rocket enough to finish sorting it out.










