
This is the bike at the beginning of the conversion to desert race replica: a stock 650 Elefant which someone has powered coated green. Freshly rewired, it will be stripped, modified and rebuilt
Gavin’s Cagiva 650 Elefant
Gavin has had a few motorcycles through the RR workshop, the most remarkable one being the Cagiva Super Squalo 500 two-stroke which you can see here.
This bike, which Gavin had just picked up when he brought it to the workshop, is earmarked to be a replica of the Cagiva factory’s 1986 factory Paris-Dakar bike.
Gavin has worked with Cagiva in the past and knows a hell of a lot about these bikes (among many others). While it was being rewired he sourced another frame, which may be the one he eventually uses.
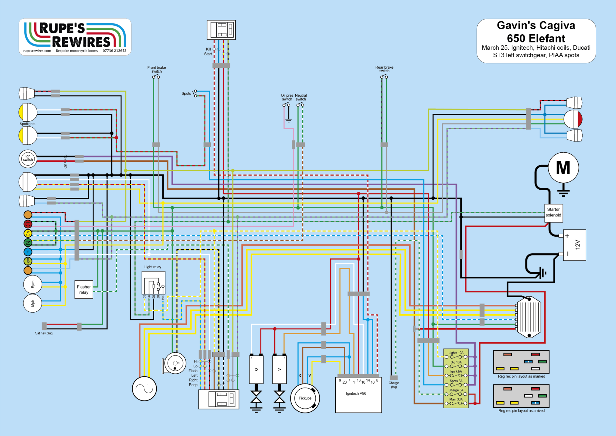
The loom was a bit scrappy, and anyway Gavin wanted to fit Ignitech ignition instead of the original Bosh Transducer boxes (a very good idea); and add PIAA spotlights at the front.
Because the bike will be bigly modified the loom isn’t completely finished. The spotlight connections, for instance, will be finalised once the spots themselves are in place. And the battery and reg rec are just cable tied at the moment. They will need a proper cage fabricating later on.
It should be back for final tweaks in a year or so. And looking almost unrecognisable.








